Produk
Injap Semak Keluli Tuang
  • Injap Semak Keluli TuangInjap Semak Keluli Tuang

Injap Semak Keluli Tuang

Injap Jinqiu mengeluarkan injap sehala keluli tuang berkualiti tinggi, iaitu injap automatik yang terbuka secara automatik berdasarkan tekanan aliran medium dan ditutup secara automatik oleh graviti atau tekanan belakang apabila medium mengalir ke belakang. Injap ini sesuai untuk pelbagai saluran paip perindustrian, biasanya diperbuat daripada keluli tuang, dan boleh digunakan untuk pelbagai keadaan media dan suhu.

Injap Periksa Keluli Tuang tahan lama kilang Jinqiu Valve adalah simetri pada kedua-dua belah, membolehkan aliran media dua arah. Pemasangan adalah mudah, menghapuskan keperluan untuk mempertimbangkan arah saluran paip, dan operasi adalah fleksibel dan mudah. Kilang kami mematuhi prinsip integriti dan kualiti terlebih dahulu. Kami sangat mengalu-alukan pertanyaan anda dan berharap dapat menjalin hubungan kerjasama jangka panjang dengan anda. Kami mempunyai kelebihan dalam pembuatan, manakala anda mempunyai kelebihan dalam jualan. Kami percaya bahawa melalui kerjasama, kami boleh mencapai situasi menang-menang, dan kami berharap untuk berkembang bersama!


1. Rintangan bendalir rendah: Medium dalaman injap sehala keluli tuang mengalir dalam garis lurus dengan rintangan minimum, memudahkan pengangkutan bendalir licin, kecekapan tenaga dan kepraktisan.
2. Mudah dibuka dan ditutup: Pintu injap sehala keluli tuang bergerak secara menegak dengan bendalir, memerlukan daya minimum untuk membuka dan menutup, memudahkan operasi dan menjimatkan kos buruh.
3. Arah aliran sederhana tidak terhad: Injap sehala keluli tuang adalah simetri pada kedua-dua belah, membenarkan aliran sederhana dua arah. Pemasangan tidak memerlukan pertimbangan arah aliran saluran paip, menjadikan operasi fleksibel dan mudah.
4. Prestasi pengedap yang sangat baik: Kehausan adalah minimum apabila dibuka sepenuhnya; apabila ditutup, tekanan boleh memaksa pengedap, dengan berkesan menghalang kebocoran sederhana.

Parameter prestasi

model H44H-16C~2=-0 H44W-16P~250
Tekanan kerja(MPa) 1.6~25
suhu yang betul(℃) ≤425 ≤550
Media yang sesuai Air, wap, minyak Medium menghakis yang lemah
bahan Badan, bonet, cakera Keluli karbon Keluli tahan karat nikel-titanium krom
Permukaan pengedap Aloi berasaskan besi permukaan keluli karbon Badan dimeterai

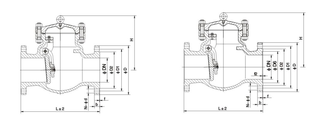
Bentuk utama dan dimensi sambungan

Diameter nominalDN Dimensi utama dan dimensi sambungan
L D D1 D2 b Z-d H
H44H-16C H44W-16C H44W-16P H44W-16R H44W-16I
25 160 115 85 65 16 4-14 100
32 180 135 100 78 16 4-18 105
40 200 145 100 85 16 4-18 115
50 230 160 125 100 16 4-18 135
65 290 180 145 120 18 4-18 142
80 310 195 160 135 20 8-18 165
100 350 215 180 155 20 8-18 180
125 400 245 210 185 22 8-18 210
150 480 280 240 210 24 8-23 233
200 500 335 295 265 26 12-23 304
250 550 405 355 320 30 12-25 348
300 650 460 410 375 30 12-25 390
350 750 520 470 435 34 16-25 430
400 850 580 525 485 36 16-30 468
H44H-25 H44W-25 H44W-25P H44W-25R H44W-25I
25 160 115 85 65 16 4-14 100
32 180 135 100 78 16 4-18 105
40 200 145 110 85 16 4-18 115
50 230 160 125 100 20 4-18 160
65 290 180 145 120 22 8-18 175
80 310 195 160 135 22 8-18 185
100 350 230 190 160 24 8-23 220
125 400 270 220 188 28 8-25 248
150 480 300 250 218 30 8-25 276
200 550 360 310 278 34 12-25 350
250 650 425 370 332 36 12-30 410
300 750 485 430 390 40 16-30 430
350 850 550 490 448 44 16-34 518
400 950 610 550 505 48 16-34 560

Gambar struktur

Teg Panas: Injap Semak Keluli Tuang, China, Disesuaikan, Kualiti, Tahan Lama, Termaju, Pengeluar, Pembekal, Kilang, dalam Stok
Hantar Pertanyaan
Maklumat Hubungan
  • Alamat

    No.1, North 1st Road, Bandar Baru Keluli Tahan Karat, Lecong Steel World West Road, Daerah Shunde, Bandar Foshan, Wilayah Guangdong, China

Untuk pertanyaan tentang injap pintu, injap glob dan injap sehala atau senarai harga, sila tinggalkan e-mel anda kepada kami dan kami akan berhubung dalam masa 24 jam.

X
Kami menggunakan kuki untuk menawarkan anda pengalaman menyemak imbas yang lebih baik, menganalisis trafik tapak dan memperibadikan kandungan. Dengan menggunakan tapak ini, anda bersetuju dengan penggunaan kuki kami. Dasar Privasi
Tolak Terima